香港六宝典资料大全-资料免费精选
首页
产品与应用
核心产品
电流针
新能源汽车零部件
Pogo Pin
精密五金件
夹治具
应用领域
新能源
智能穿戴
精密五金件
电流针
新能源汽车零部件
Pogo Pin
精密五金件
夹治具
新能源
智能穿戴
精密五金件
生产实力
研发团队
智能制造
品质保证
检测设备
荣誉资质
关于旭锐
公司简介
企业文化
发展历程
旭锐荣誉
新闻资讯
公司资讯
行业动态
招贤纳士
公司优势
办公环境
人才招聘
联系我们
联系方式
留言咨询
EN
搜索
OCV
首页
产品与应用
核心产品
产品特点
产品规格
产品应用
品质保证
荣誉资质
询盘表单
GP-11077
产品特点
三针探针组件
产品规格
三针探针组件
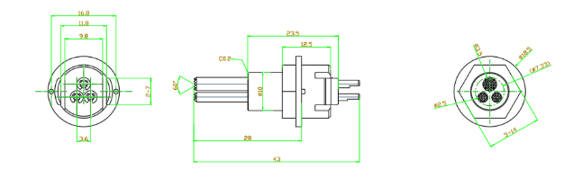
GP-11077
外型尺寸:
φ18.5*43mm
主要材质:
铍铜
适 用:
方壳动力电池
工作电流:
0~6A
夹具内阻:
≤10mΩ
环境温度:
≤100℃
弹力参数:
电流针压缩5mm时压力可达1.2KG~1.4KG。
电 镀:
探针整体表面镀镍,电流针头部先镀镍后镀金,镀层:NI≥2um, AU≥0.2um。
产品应用
询盘
询盘
提交